全黃銅材質便拆式離心船用海水泵結構分析
時間:2013/5/24 來源:浙江揚子江泵業有限公司
一、全黃銅材質便拆式離心船用海水泵產品概述
ISGB、IRGB型便拆立式管道離心泵是在IS型泵、ISG型立式管道離心泵的基礎上,一方面結合國外先進技術,另一方面概據漢滄泵業多年的生產經驗和廣大用戶的寶貴經驗,綜合開發成功的一種新穎、技術領先其它同類產品的便拆立式離心泵。該系列產品經國家泵類產品檢測中心鎮江分中心檢測認定:各項指標合格。填補了國內空白,其綜合性能達到國際同類產品現代先進水平。該系列產品嚴格按國際標準ISO2858進行設計制造,在整體上進行大膽突破設計,泵軸采用獨立的支承體,解決了原ISG及ISW型泵加長軸靠電機軸承支承的不足之處,葉輪、泵體采用現代優秀水力模型設計制造,消除立式泵的軸向力及徑向力,使泵軸處的軸承和電機軸承僅受微弱的軸向力及徑向力,電機采用Y系列標準電機,整臺泵采用便拆結構,解決了更換大功率水泵的軸承、機械密封、葉輪等易損件不方便的難題。
該系列泵與國內同類產品相比,具有運轉更平穩、使用壽命更長、配套更方便、維護保養更輕松等優點,是替代ISG型管道泵、IS型離心泵、S型雙吸泵等常規離心泵的理想產品。
二、全黃銅材質便拆式離心船用海水泵產品特點
1、立式結構,安裝調試方便,獨特設計的電機和泵體采用聯接體聯接,同心度高、加工精度高,占地面積大大減少,縮減了泵房建筑投資30%一60%。底腳穩固、結構緊湊、精美的鑄造和外觀處理賦予立式離心泵新的美感,使產生品煥發藝術的魅力,可以和國外著名廠家立式泵媲美。
2、配用國內著名廠家生產的Y系列標準通用電機,運行平穩、噪音極低。
3、軸承采用國際著名品牌精密軸承,精度高、可靠性好、壽命長。
4、葉輪采用90年代優秀可自平衡軸向力的水力模型,使得泵軸承和機械密封使用壽命大大延長。
5、電機軸承座內的軸承都配有加油孔和放油孔,對軸承的維護保養十分方便。
6、可拆卸硬性中間聯軸器,使泵起動無振動、無噪音,旋轉部件設有可靠的安全防護罩,安全性極好。
7、機械密封采用不銹鋼、碳化鎢、氟橡膠等材料制成,耐高溫、高壓,運行壽命長,無滲漏,對軸無磨損,保證工作環境整潔。
8、泵蓋結構設計獨特,只要卸下硬性中間聯軸器、泵蓋螺母,即可十分輕便取出軸承座。泵蓋、泵軸、葉輪等組合件,進行更換機械密封和葉輪,而不必拆卸電機、泵體和管道,維修方便快捷。
三、全黃銅材質便拆式離心船用海水泵性能、型號:
泵性能范圍:
額定流量Qn=4.4m3/h~1450m3/h;
額定壓力PN=0.125Mpa~1.25Mpa(揚程12.5m~125m)
轉速n=2900r/min、1450r/min、970r/min;
泵大工作壓力≤1.6MPa(P=Po+Pn) (Po為泵進口壓力);
泵進出口口徑40mm-350mm
四、全黃銅材質便拆式離心船用海水泵主要用途:
1、ISGB、IRGB型泵用于采暖、衛生用水、冷凍水系統和灌溉裝置中的無腐蝕的冷水和熱水。
2、IHGB、YGB型泵用于石油、化工、冶金、電力、造紙、食品、制藥和合成纖維等部門
五、全黃銅材質便拆式離心船用海水泵結構優點:
1、泵軸與電機軸采用硬性連接,振動小、噪音低;
2、泵進出口口徑相同,能象閥門一樣安裝在管路的任意位置,且裝有閥盤,使泵安裝簡便、穩固;
3、泵軸有獨立的支承點,使電機軸承運行可靠;
4、用強制環流的不受轉向限制的特殊結構機械密封,運行可靠、壽命長;
5、獨特的安裝結構大大縮小泵的占地面積,節約建設投資30%-50%;
6、完美的設計確保泵無泄漏、長壽命運行,節約運行管理費40%-70%。
六:轉動:
通過電機聯軸器,由電機驅動泵,從傳動端看,泵為順時針方向旋轉。
七、工作條件:
1、泵系統高工作壓力為1.6MPa,即泵吸入口壓力+泵揚程≤1.6MPa(泵揚程工作壓力大于1.6MPa時應在訂貨另行提出,以便在制造時泵的過流部件和聯接部件采用鑄鋼)。
2、輸送介質為清水或物理化學性質類似清水的其它液體。(輸送介質帶有細小顆粒的應在訂貨時另行說明,以便裝配耐磨式機械密封)。
3、環境溫度≤40℃,海拔高度≤1000m,相對濕度≤95%。
4、介質溫度:T=20℃ ~ +120℃;
5、環境溫度:T≤40℃,環境溫度不超過95%。
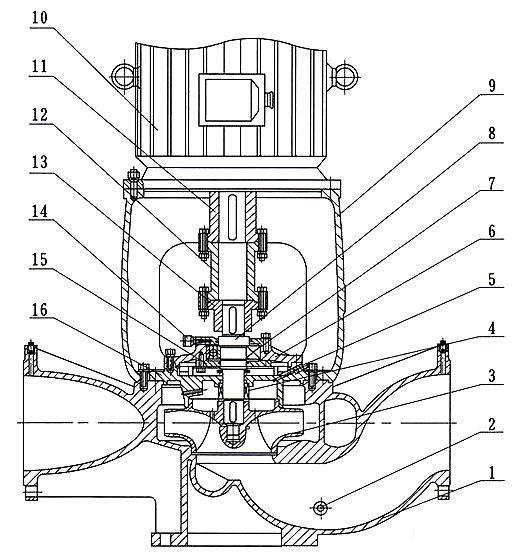
結構圖:

1 泵體 2 放水塞 3 葉輪 4 機械密封 5 放氣閥 6 軸承體 7 軸承 8 泵軸 9 支架 10 電機 11 電機聯軸器 12 中間聯軸器 13 泵聯軸器 14 油杯 15 軸承壓蓋 16 泵蓋
感謝您訪問我們揚子江泵業的網站www.110telecom.com,如有任何水泵疑問我們一定會盡心盡力為您提供優質的服務。






