316L不銹鋼防爆CQG高溫磁力泵結構與常溫磁力泵結構區別
時間:2014/7/31 來源:浙江揚子江泵業有限公司
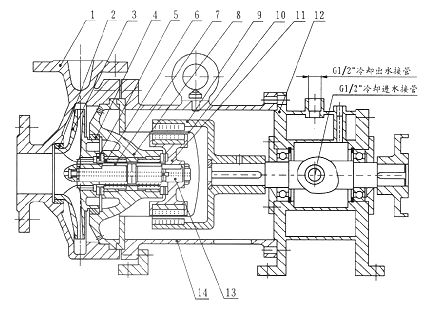
CQG高溫磁力泵結構圖

|
1
|
泵體
|
2
|
靜環
|
3
|
葉輪
|
4
|
后密封環
|
|
5
|
止推環
|
6
|
軸承
|
7
|
軸套
|
8
|
軸承體
|
|
9
|
外磁鋼總成
|
10
|
隔離套
|
11
|
內磁鋼總成
|
12
|
冷卻箱
|
|
13
|
軸
|
14
|
聯接架
|
|
|
|
|
CQG型耐高溫磁力驅動泵(耐溫≤250℃)(簡稱磁力泵)通常由電機,磁力偶合器水冷卻裝置和耐腐蝕離心泵四大部分組成,其主要特點是利用磁力偶合器傳遞動力,完全無泄漏。當電動機帶動磁力偶合器的外磁鋼旋轉時,磁力線穿過了間隙和隔離套,作用與內磁鋼上,使泵轉子與電動機同步旋轉,無機械接觸地傳遞扭矩。在泵的動力輸入端,由于液體被封閉在靜止的隔離套內,沒有動密封因而無泄漏,磁力偶合器的磁性材料采用了高溫介質而保持強大的磁力扭矩。在電機與磁力偶合器之間加裝了水冷卻裝置,防止泵送高溫介質之熱量傳導至電機。以保持電機的正常運轉,從而達到無泄露輸送高溫介質。CQG型高溫磁力泵的過流部件根據需要可分別采用304、304l、302、321、316、316l、ub6、cd4mcu、鈦合金、鎳基合金等耐腐蝕材料。 高溫磁力泵是全國聯合設計開發的新型完全無泄漏耐腐蝕泵,其技術經濟指標接近國外同類產品水平,其型式、基本參數及技術性能符合jb/t7742-95《小型磁力傳動離心泵》的標準要求主要用途及適用環境。



使用范圍:
CQG型高溫磁力泵適用與石油、化工、制藥、冶煉、電鍍、環保、食品、影視洗印、水處理、國防等行業。 是輸送高溫類易燃、易爆、揮發、有毒、稀有貴重液體和各類腐蝕性液體的理想設備。適用與輸送大系列工作壓力1.6mpa,溫度不超過280度,密度不大于1840千克/立方米,粘度不大于30cm/s的不含硬顆粒和纖維的液體。
感謝您訪問我們揚子江泵業的網站www.110telecom.com,如有任何水泵疑問我們一定會盡心盡力為您提供優質的服務。揚子江公司一貫本著“質量第一、信譽第一”的宗旨,我們將竭誠為廣大用戶提供優秀的服務,以雄厚的實力期待著與國內外新老客戶真誠合作、互惠互利,共同攜手,創造美好的明天。











